1 Востаннє редагувалося bodya-0028 (06.12.2014 15:54:51)

Тема: Допоможіть змоделювати CCD матрицю.

Добрий день, допоможіть будь ласка з курсовою - потрібно змоделювати ПЗЗ матрицю.
Що таке ПЗЗ (прилади з зарядовим звязком) https://uk.wikipedia.org/wiki/ПЗС-матрица
В Proteus'і немає такої TSL'ки. можливо хтось знає, яким пакетом програм можна її змоделювати.

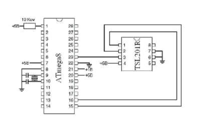
Post's attachments

shcema.png 30.85 kb, 315 downloads since 2014-12-06 

2

Re: Допоможіть змоделювати CCD матрицю.

Також буду дуже вдячний, якщо хтось кине складальне креслення ПЗЗ.

3 Востаннє редагувалося Chemist-i (06.12.2014 17:10:03)

Re: Допоможіть змоделювати CCD матрицю.

пзс матриця це масив діодів (або по вашому p-n переходів). Якщо чорнобіла - то на піксель по одному переходу. Якщо кольорова - то мінімум по 3. В залежності від засвітки переходу на ньому збільшується (от точно не пам'ятаю, чи струм, чи напруга) яку можна міряти компаратором та перетворювати на цифровий сигнал. Але є одне Але: - щоб підключити матрицю розміром М х N треба (М*N) контактів (чорнобіла) і відповідно (3*М*N) кольорова, тому модуль камери вже йде з контроллером в середині, з якого виходить вже шина, яка є стандартною, чи i2c чи ще якась, залежить від модуля камери (читати що саме там і як, треба в даташит, на конкрентий модуль камери).